Inverter memainkan peranan penting dalam sistem penjanaan kuasa fotovoltaik, menukar arus langsung (DC) yang dihasilkan oleh panel fotovoltaik ke dalam arus berselang (AC) sesuai untuk sambungan grid atau penggunaan beban. Pembangunan teknologi penyongsang telah sentiasa berkembang untuk memenuhi keperluan kecekapan yang lebih tinggi, kualiti kuasa yang lebih baik, dan kos yang lebih rendah. Teknologi Inverter Tahap Tiga - adalah salah satu kemajuan penting dalam bidang ini.
Konsep tahap dalam inverter merujuk kepada tahap voltan yang digunakan untuk penghantaran isyarat atau penukaran tenaga. Inverter tahap dua - hanya mempunyai dua tahap voltan, tinggi dan rendah, yang mudah dalam reka bentuk dan sesuai untuk aplikasi kos rendah -. Walau bagaimanapun, inverter tahap tiga - memperkenalkan voltan pertengahan -, memberikan tiga tahap voltan, yang membolehkan kawalan voltan yang lebih baik dan mempunyai beberapa kelebihan yang signifikan di peringkat sistem1.

1. Makna Teknologi Tahap Tiga -
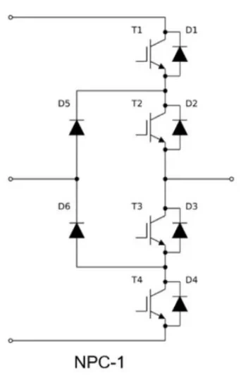
Pada tahun 1980 -an, sarjana Jepun Nabae mencadangkan litar inverter tahap tiga - berdasarkan pengapit diod. Struktur topologi tipikalnya ditunjukkan dalam angka berikut. Setiap lengan jambatan keseluruhan litar penyongsang terdiri daripada 4 transistor bipolar pintu terlindung (IGBTs) dan 6 diod.

Walaupun litar tahap tiga - agak lebih kompleks dalam topologi, berbanding dengan dua litar penyongsang tahap tradisi Oleh itu, ia dipanggil litar inverter tahap tiga -.
Ambil perubahan yang berpotensi pada titik tengah lengan jambatan inverter fasa A dalam angka berikut sebagai contoh untuk menggambarkan secara ringkas makna spesifik tiga peringkat.

- Apabila kedua -dua IGBTS pada lengan jambatan fasa - sedang dijalankan, potensi pada titik A adalah sama dengan bas positif, iaitu U/2. Voltan platform tekanan yang setiap IGBT beruang adalah U/2, seperti yang ditunjukkan dalam Loop 1.
- Apabila kedua -dua IGBT dari lengan jambatan yang lebih rendah dari lengan jambatan fasa - sedang dijalankan, potensi pada titik A adalah sama dengan potensi bas negatif, iaitu - u/2, dan voltan platform tekanan yang ditanggung oleh setiap IGBT adalah U/2, seperti yang ditunjukkan dalam gelung 2.
- Apabila IGBT kedua pada lengan jambatan fasa - dan diod pengapit pintasan sedang dijalankan, jambatan inverter fasa - berada dalam keadaan bebas, dan potensi pada titik A adalah sama seperti di tengah -tengah bas, iaitu 0, seperti yang ditunjukkan dalam gelung 3.
Dari tiga litar yang dijalankan fasa A yang diterangkan di atas, dapat diketahui bahawa potensi pada titik A dapat mempersembahkan tiga tahap: u/2, 0, dan - u/2, oleh itu ia dipanggil tiga- keadaan tahap2.
2. Tiga Tahap Tiga -
Topologi 2.1NPC1
Topologi NPC1 (neutral - -) adalah salah satu topologi tahap tiga - yang paling klasik. Ia mengoptimumkan pengagihan kerugian dan meningkatkan EMI dengan mengoptimumkan laluan semasa dan sifar - mekanisme penukaran.
Di bawah keadaan penyongsang, kerugian NPC1 terutamanya tertumpu dalam tiub T1/T4, termasuk kerugian konduksi dan kerugian beralih. T2/T3 berada dalam keadaan yang biasanya terbuka, dan kerugiannya adalah kerugian pengaliran. D5/D6 menjalankan semasa komutasi, dan kerugiannya termasuk kerugian pengaliran dan kerugian pemulihan terbalik.
Di bawah keadaan pembetulan, kerugian terutamanya tertumpu dalam tiub D1/D4 dan tiub T2/T3. Tiub D1/D4 mempunyai kerugian pengaliran dan kerugian pemulihan terbalik, manakala tiub T2/T3 menjana kerugian pengaliran dan kehilangan kerugian semasa komutasi. Sebaliknya, tiub D2/D3 dan D5/D6 hanya mempunyai kerugian pengaliran.

2.2 Topologi NPC2
Topologi NPC2 adalah peningkatan berdasarkan topologi NPC1. Dalam NPC2, sepasang IGBTs dengan pemancar biasa atau pengumpul dan anti - diod selari digunakan untuk menggantikan diod pengapit di NPC1, mengurangkan bilangan diod sebanyak dua. Dalam NPC2, tiub T1/T4 menanggung voltan bas penuh, dan tiub T2/T3 menanggung separuh voltan bas.
Dalam keadaan inverter, dalam kitaran separuh positif -, T2 tetap biasanya terbuka, dan T1 dan D3 komutasi; Dalam separuh negatif - kitaran, T3 kekal biasanya terbuka, dan T4 dan D2 berkomitmen.
Dalam keadaan pembetulan, proses komutasi juga sama dengan NPC1, tetapi disebabkan oleh struktur yang berlainan bahagian pengapit, pengagihan kerugian adalah berbeza daripada NPC1. Umumnya, dalam medium - dan rendah - bertukar - julat kekerapan, jumlah kehilangan topologi NPC2 lebih rendah daripada topologi NPC1.

Topologi 2.3Anpc
Topologi ANPC (neutral aktif - - mengikat) dibentuk dengan menggantikan diod pengapit dalam NPC1 dengan IGBTS dan anti - diod selari. Ia memperluaskan dua laluan komutasi tahap sifar -, dan melalui pemilihan dan kawalan jalur komutasi tahap sifar -, pengagihan kerugian yang lebih seimbang dan induktansi gelung gelung yang lebih kecil dapat dicapai3.

3. Kaedah Kontrol Tiga - Inverter Tahap
Kawalan 3.1voltage
3.1.1dc - kawalan voltan sampingan
Dalam sistem penjanaan kuasa fotovoltaik, adalah perlu untuk mengekalkan kestabilan voltan sampingan DC - penyongsang. Voltan sisi DC - disediakan terutamanya oleh panel photovoltaic. Oleh kerana pengaruh faktor seperti intensiti cahaya dan suhu, voltan output panel fotovoltaik akan berubah -ubah. Oleh itu, strategi kawalan voltan sampingan DC - diperlukan. Kaedah yang biasa digunakan termasuk menggunakan penukar rangsangan atau penukar meningkatkan penukar di hadapan penyongsang untuk menyesuaikan voltan sampingan DC - ke nilai yang stabil. Sebagai contoh, apabila voltan output panel fotovoltaik lebih rendah daripada nilai yang diperlukan, penukar rangsangan dapat meningkatkan voltan; Apabila ia lebih tinggi, penukar penukar - boleh menyesuaikan voltan ke tahap yang sesuai.
3.1.2mid - titik kawalan potensi
Dalam tiga - inverter, pertengahan - titik turun naik potensi adalah masalah biasa, terutamanya dalam topologi jenis NPC -. Mid - turun naik potensi akan mempengaruhi kualiti gelombang voltan output dan kebolehpercayaan peranti. Terdapat banyak kaedah untuk mengawal potensi titik pertengahan -. Satu kaedah adalah untuk menambah komponen mod - biasa ke isyarat modulasi. Sebagai contoh, dalam nadi sinusoidal - kaedah modulasi lebar (SPWM), voltan mod biasa - ditambah ke voltan rujukan untuk menyesuaikan masa pengecasan dan pelepasan masa pertengahan - Kaedah lain adalah dengan menggunakan sistem kawalan maklum balas untuk mengesan potensi titik - dan menyesuaikan keadaan penukaran penyongsang mengikut sisihan untuk mencapai baki berpotensi pertengahan -4.
3.2 Kawalan semasa
3.2.1grid - kawalan semasa yang disambungkan
Untuk grid - penyongsang fotovoltaik yang disambungkan, adalah perlu untuk memastikan bahawa arus output berada dalam kekerapan dan fasa yang sama seperti voltan grid. Ini dicapai melalui grid - strategi kawalan semasa yang disambungkan. Kaedah yang biasa adalah menggunakan fasa - Loop Locked (PLL) untuk menyegerakkan arus output dengan voltan grid. PLL dengan cepat dan tepat menjejaki kekerapan dan fasa voltan grid. Berdasarkan output PLL, pengawal semasa direka bentuk, seperti pengawal integral - (PI) yang berkadar atau pengawal resonan (PR) berkadar -. Pengawal semasa menyesuaikan voltan output penyongsang mengikut sisihan antara arus rujukan dan arus output sebenar untuk memastikan bahawa arus output memenuhi keperluan sambungan grid -.
3.2.2Output Kawalan Harmonik Semasa
Di samping memastikan kekerapan dan fasa yang sama seperti voltan grid, ia juga perlu untuk mengawal kandungan harmonik arus output. Seperti yang disebutkan di atas, inverter tahap tiga - mempunyai kandungan harmonik semasa output yang lebih rendah daripada dua inverter tahap -, tetapi dalam beberapa senario aplikasi ketepatan -, kawalan harmonik lebih lanjut masih diperlukan. Ini boleh dicapai dengan mengoptimumkan strategi modulasi. Sebagai contoh, menggunakan ruang - vektor pulse - modulasi lebar (svpwm) dan bukannya SPWM tradisional dapat mengurangkan kandungan harmonik arus output. Di samping itu, beberapa algoritma kawalan lanjutan, seperti suapan harmonik - kawalan hadapan dan multi - kawalan pampasan harmonik, juga boleh digunakan untuk mengurangkan lagi kandungan harmonik arus output5.
4. Peningkatan Tiga - Inverters berbanding dengan dua - Inverters Level
4.1 bentuk gelombang output voltan
Output gelombang voltan oleh litar penyongsang tahap - dua:

Output gelombang voltan dengan litar inverter tahap tiga -:

Prinsip asas penyongsang tahap tiga - adalah menggunakan pelbagai tahap untuk mensintesis gelombang langkah untuk menghampiri voltan output sinusoidal. Oleh kerana mempunyai tahap output tambahan berbanding dengan penyongsang tahap dua -, gelombang PWM ia output lebih dekat dengan bentuk gelombang sinusoidal. Dua angka di atas adalah perbandingan output bentuk gelombang PWM oleh dua tahap - dan tiga - inverter. Ia boleh dibezakan secara intuitif bahawa output gelombang PWM oleh penyongsang tahap tiga - lebih dekat dengan sinus dan mempunyai kandungan riak yang kurang6.
4.2 Menukar kehilangan
Dalam litar inverter tahap tiga -, voltan bas DC U dikongsi oleh dua IGBT. Voltan yang ditanggung oleh setiap IGBT di lengan jambatan adalah separuh daripada voltan input di sebelah DC, U/2. Dalam litar penyongsang tahap dua -, hanya satu IGBT menanggung voltan bas DC, dan voltan yang ditanggung oleh setiap IGBT pada lengan jambatan secara langsung adalah voltan input pada sisi dc, ia daripada giliran - off. Ini menentukan bahawa kehilangan penukaran tiga - tahap IGBT jauh lebih kecil daripada dua tahap -7.
4.3 Frekuensi Tinggi
IGBT voltan tinggi - dipengaruhi oleh tahap voltan aplikasi, yang menentukan bahawa kekerapan penukaran dan kelajuan penukaran mereka jauh lebih kecil daripada yang rendah - IGBT voltan. Walau bagaimanapun, sistem tahap tiga - membolehkan aplikasi frekuensi tinggi - rendah - IGBT voltan. Berbanding dengan penapis kuasa aktif, tahap kekerapan penukaran secara langsung mencerminkan bukan sahaja kelajuan pampasan tetapi juga lebar julat kekerapan pampasan yang boleh dicapai. Lebih tinggi jalur frekuensi di mana kekerapan penukaran terletak, lebih luas jalur frekuensi penapisan yang penapis boleh dipilih untuk dilaksanakan, semakin sempit; sebaliknya, semakin sempit8.
4.4 Perbandingan kuantitatif
Evolusi barisan produk SMA adalah bukti yang baik.
- Dua - Produk Teknologi Tahap: Siri Sunny Tripower.

- Tiga - Produk Teknologi Tahap: Siri Sunny HighPower.

![]()
Dari data dalam dua graf di atas, dapat diperolehi bahawa kecekapan maksimum dua produk penyongsang fotovoltaik teknologi - adalah 98.1%, dan kecekapan di Eropah adalah 97.8%. Kecekapan maksimum tiga - Tahap Teknologi Fotovoltaic Inverter Products boleh mencapai 99.1%, manakala di Eropah ia boleh 98.8%. Dengan membandingkan kedua -duanya, dapat dijumpai bahawa kecekapan produk teknologi tahap tiga - telah meningkat sebanyak 1%9.
5. Trend Pembangunan Tentera
5.1 Integrasi dengan bahan semikonduktor baru
Dengan perkembangan teknologi semikonduktor, bahan semikonduktor baru seperti silikon karbida (SIC) dan gallium nitride (GAN) secara beransur -ansur digunakan untuk inverter. Bahan -bahan ini mempunyai mobiliti elektron yang lebih tinggi, voltan kerosakan yang lebih tinggi, dan lebih rendah pada rintangan - daripada bahan silikon tradisional. Mengintegrasikan teknologi penyongsang tahap tiga - dengan bahan semikonduktor baru dapat meningkatkan prestasi inverter. Sebagai contoh, menggunakan SIC MOSFETS dalam tiga - penyongsang tahap dapat mengurangkan kehilangan dan kehilangan pengaliran peranti, meningkatkan kecekapan penyongsang, dan meningkatkan kekerapan beralih, yang kondusif untuk mengurangkan saiz dan berat penyongsang dan meningkatkan ketegangan kuasa.
5.2 Pintar dan Digitalisasi
n Masa depan, tiga - penyongsang tahap akan lebih pintar dan digital. Dengan pembangunan teknologi mikroelektronik dan teknologi kawalan digital, inverter boleh dilengkapi dengan pengawal dan sensor digital yang lebih maju. Pengawal digital ini boleh melaksanakan algoritma kawalan yang lebih kompleks, seperti kawalan penyesuaian, kawalan ramalan, dan kesalahan - dan kawalan pembaikan diri. Sensor boleh memantau status operasi penyongsang dalam masa sebenar -, seperti suhu, voltan, arus, dan status kesihatan peranti. Melalui algoritma pintar dan pemantauan masa sebenar -, penyongsang boleh menyesuaikan parameter operasi mengikut situasi sebenar, meningkatkan kecekapan dan kebolehpercayaan sistem, dan merealisasikan pemantauan jauh dan pengurusan pintar.
5.3 lebih tinggi - voltan dan lebih tinggi - aplikasi kuasa
Oleh kerana skala penjanaan kuasa fotovoltaik terus berkembang, permintaan untuk voltan - yang lebih tinggi dan lebih tinggi - penyongsang kuasa juga meningkat. Teknologi Inverter Tahap Tiga - berpotensi untuk memenuhi permintaan ini. Dengan mengoptimumkan strategi topologi dan kawalan tiga - inverters, dan menggunakan peranti tinggi - -, voltan output dan kuasa tiga penyongsang tahap - dapat ditingkatkan lagi. Ini sangat penting untuk loji kuasa fotovoltaik skala besar - dan tinggi - voltan - transmisi - garis {{14}10.
- Yu, Chengzhuo, 2023, mengawal penyongsang PWM tahap 3 untuk grid - sistem penjanaan fotovoltaik yang disambungkan.
- Zhihu, Penjelasan keunggulan tiga - Teknologi Tahap.
- Non - rangkaian, tiga - prinsip litar tahap dan analisis topologi litar biasa.
- Peminat elektronik, t - taipkan tiga - grid fotovoltaik tahap - Skim reka bentuk penyongsang yang disambungkan.
- Tang, Yao, 2023, reka bentuk dan kawalan interleaved tiga - tahap t - jenis inverter untuk aplikasi kuasa tinggi.
- Peminat elektronik, perbandingan kelebihan tiga tahap - dan dua sistem tahap -.
- CSDN, perbezaan antara dua tahap - dan tiga tahap -.
- Baidu Wenku, Perbandingan antara dua tahap - dan tiga tahap -.
- SMA, data produk dari laman web rasmi SMA.
- Kuasa Qitian, tiga - Topologi Topologi Parallel Inverter.







